MEDIUM SPEED MOTOR 315CC
Hydrokit Part Number : MHP315A1AE
Discontinued product replaced by :
Motor WP 303cc shaft Ø25mm ( MHP315A1AW )
Technical information
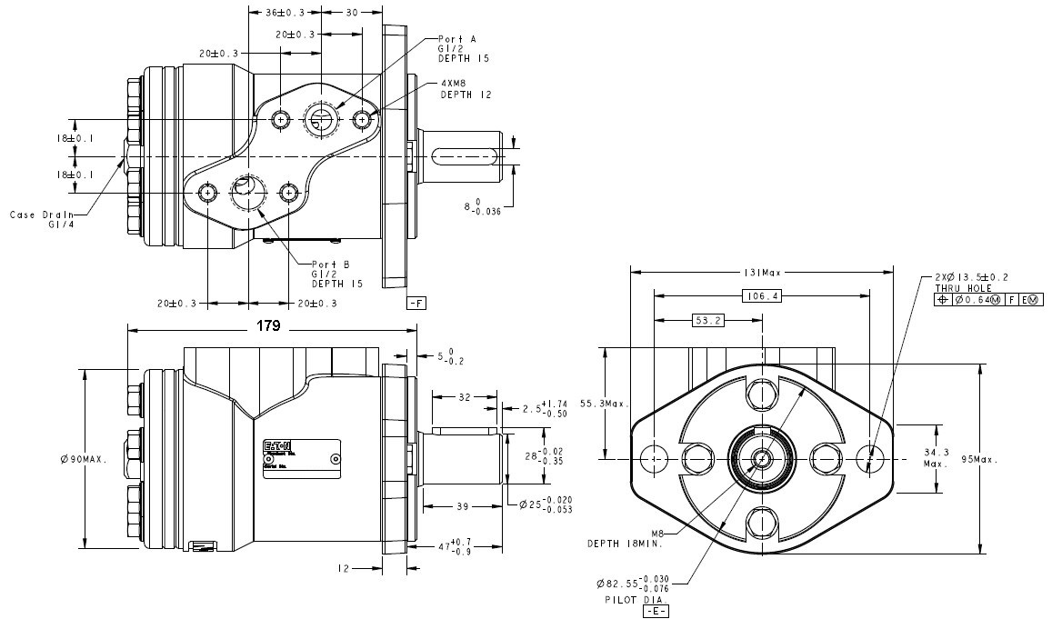
HYDRAULIC MOTOR 315CC.
FLANGE SAE A. CENTRE RING 82.5MM
SHAFT CYLINDRICAL 25MM
PORTS 1/2" BSP. DRAIN 1/4" BSP.
REINFORCED SHAFT SEAL.
PAINTED BLACK.
FLANGE SAE A. CENTRE RING 82.5MM
SHAFT CYLINDRICAL 25MM
PORTS 1/2" BSP. DRAIN 1/4" BSP.
REINFORCED SHAFT SEAL.
PAINTED BLACK.

Technical data
| Motor type | OMP Gerotor | ||
| Displacement | 315 | cc/rev | |
| Flange type | SAE A flange | ||
| Shaft type | Cylindrical | ||
| Size of the shaft | 25 mm | ||
| Orifices position | Side port - Offset | ||
| Orifices A & B size | G1/2 | ||
| Taille du drain | G1/4 | ||
| Bearing type | Journal bearing | ||
| Speed sensor (predisposition) | No | ||
| Paint | Black RAL 9005 | ||
| Marque | Danfoss (ex Eaton Charlynn) |
