HALF FLEXIBLE BODY COUPLING
Hydrokit Part Number : AP8
Technical information
HALF FLEXIBLE BODY COUPLING
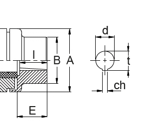
- Shaft: 1/8 taper, group 1, 2.4mm parallel key
- Required flexible spider coupling Ø59mm ext.
- Shaft: 1/8 taper, group 1, 2.4mm parallel key
- Required flexible spider coupling Ø59mm ext.

Technical data
| Type accouplement | ND65 | ||
| Shaft type | Tapered | ||
| Pump dimensions | 1/8 - GR1 |
