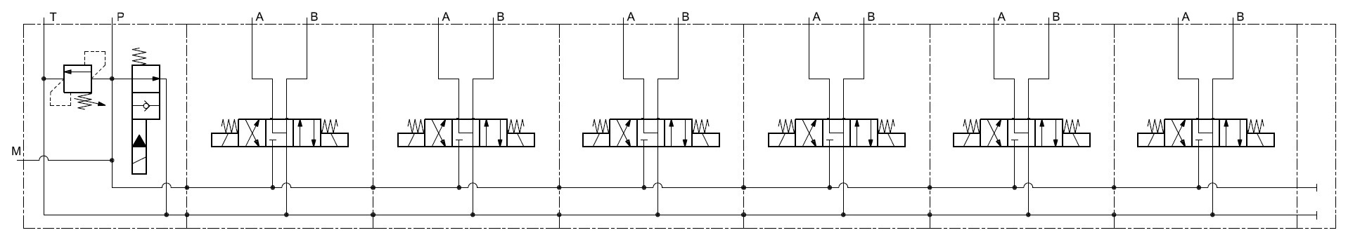
Hydrokit Part Number : DEEC030C6O1201
Technical information

Technical data
| Débit maxi | 30 | l/min | |
| Max working pressure | 250 | bar | |
| Nombre de section(s) | 6 | ||
| Voltage | 12 VCC | Volt | |
| Option | Without option |

| Débit maxi | 30 | l/min | |
| Max working pressure | 250 | bar | |
| Nombre de section(s) | 6 | ||
| Voltage | 12 VCC | Volt | |
| Option | Without option |