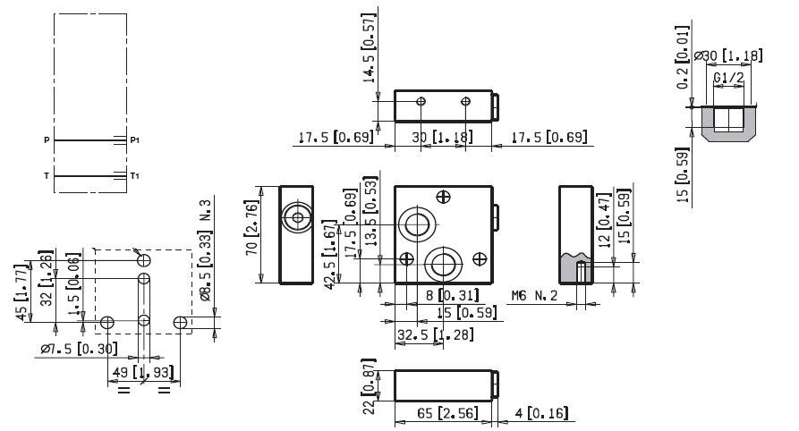
Plaque de fermeture avec sorties P&T G1/2 - 50L/min - 250bar
Référence Hydrokit : PFEDPT02R
Informations techniques
Plaque de fermeture pour distributeur empilable série ED Rexroth
Pression maxi : 250 bar
Sorties P&T : G1/2
Débit maxi : 50L/min
Code Rexroth : R933003332
Model code : TC03-03-00-AL
Pression maxi : 250 bar
Sorties P&T : G1/2
Débit maxi : 50L/min
Code Rexroth : R933003332
Model code : TC03-03-00-AL

Caractéristiques techniques
| Type de composants | Plaque de fermeture |

