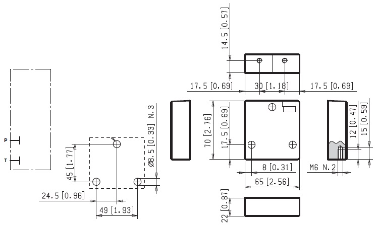
PLAQUE DE FERMETURE STD
Hydrokit Part Number : PFED0001R
Technical information

Technical data
| Type of product | Plaque de fermeture |

| Type of product | Plaque de fermeture |