+44 (0) 1728 684800
Contact
Contact
Search
Our products
Menu
Close
Home
Agricultural
Construction
Lorry and trailer
Maritime
Industry / Agri-food
Promotion
Environment
Repair
Hydraulic pump
Reservoirs
Filters
Heat exchangers
Hydraulic power units
Flow regulators
Accumulators
Pressure regulators
Spool valves
Safety valves
Hydraulic cylinders
High pressure components 700 bar
Hydraulic motors
Orbitrols
Adaptors
Electrical components
Workshop equipments
Hydroclips cases
Hydraulic hoses & inserts
Industrial hose and fitting
Couplers / Multi-Couplers
High pressure cleaning equipment
Greasing components
Rotators Baltrotors
Oil / Consumables
Special offers
Piston pump and motor repairs
On-site fitting
Our Locations
Catalogues
Shows
About Hydrokit
Our markets
Our company
Vensys Group
Services
Videos
Contact
Home
Spool valves
Distribution PVG Danfoss
Function selectors
Spool valves CETOP
Compact electrical distribution
Manual monoblock spool valves
Manual stackable spool valves
DR65 flow regulated spool valves
Distribution and pressure regulation DR120
Hydraulic end stroke valves
Ball valves
Solenoid check valves 2/2
Spool valves 3/2 - 4/2 - 4/3 - 5/3 - 6/2
Spool valves for construction equipments
Joysticks
Remote control boxes, cables and adapters
Control head - lever
Hydraulic trailer brake valve
Fitting kits for spool valves
Distributor for snow ploughs
Distribution PVG Danfoss
PVE - PVHC coil
PVG 16
PVG 32
PVG 48
PVG100
PVG 120
PVG 128/256
PVE - PVHC coil
PVE S7 (PVEO PVEA PVEM PVEH.. ) - PVE2SV PVE4SV
PVHC - Proportional PWM
PVED - Proportional Can
PVE S4 - End of life
PVE S7 (PVEO PVEA PVEM PVEH.. ) - PVE2SV PVE4SV
Full screen
Previous image
Next image
Hydrokit Part Number :
11238336
Print
Share
+44 (0) 1728 684800
Contact
Contact
Close
Looking for an immediate reply?
Contact us on +33 (0) 251 344 528
To check price
Create an account
or
Technical information
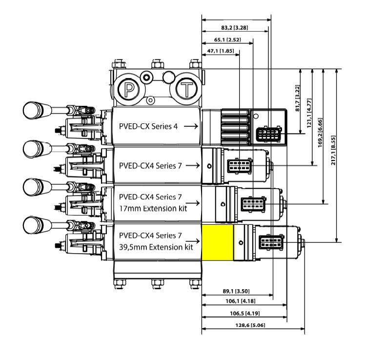
Allows the PVE coil to be offset by 39.5 mm.
Includes gasket and screws.
Danfoss Part Number: 11238336
Close
Share this product on
Facebook
Linkedin
Mail
Cancel
Close
Loading...