Hydrokit Part Number : EL0301AL
Technical information


Technical data
| Matière | Aluminium | ||
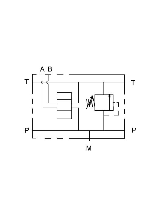
| Option | Limiteur de pression | ||
| Nombre de section(s) | 1 | ||
| Implantation orifice P | G1/2 | ||
| Implantation orifice T | G1/2 | ||
| Implantation orifices A&B et/ou R | G3/8 |


| Matière | Aluminium | ||
| Option | Limiteur de pression | ||
| Nombre de section(s) | 1 | ||
| Implantation orifice P | G1/2 | ||
| Implantation orifice T | G1/2 | ||
| Implantation orifices A&B et/ou R | G3/8 |