+49 (0)7021/7377-0
Contact
Kontakt
Suche
Unsere Produkte
Menü
schließen
Startseite
Feldspritzenteile
Lösungen für Landmaschinen
Lösungen für Baumaschinen
LKW Bausätze
Maritime
Industrie / Lebensmittelindustrie
Aktion
Umweltschonung
Reparatur
Pumpen / Übersetzungsgetriebe
Ölbehälter
Filter
Wärmetauscher
Hydraulikaggregate
Stromregelung
Hydraulikspeicher
Druckregelung
Hydraulikventile
Sicherheitsventile
Hydraulikzylinder
Hochdruck-Komponenten
Hydraulikmotoren
Lenkeinheiten
Verschraubungen / Kupplungen
Elektrische Komponenten
Werkstattgeräte
Hydroclips Koffer
Schläuche und Armaturen
Industrieller Schlauch und Kupplung
Kupplungen und Multikupplungen
Ausrüstungen für Hochdruckreiniger
Schmierung
Baltrotors Rotatoren
Öl
Schnäppchen!
Fragebogen
Reparatur Pumpen und Motoren
Wo finden Sie uns?
Kataloge
Messen
Wir über Uns
Über Rau Serta / Hydrokit
Vensys Gruppe
Service/Leistungen
Videos
Karriere
Kontakt
Startseite
Elektrische Komponenten
Schwarz/weiße Magnetspulen
Linearaktuatoren
Stunden- und Impulszähler
Bedienboxen
Joystick und Zubehör
Anlasser für Elektromotoren
Joysticks
Steckverbinder und Schalter
Funkfernsteuerungen
Neigungsmesser
Elektronische Waage
Drehzahl-Anzeigegeräte
Durchfluss- und Druck-Anzeigegeräte
Fronthubwerk-Positionsanzeiger
Hydroalarm
Elektronische Baugruppen
Diebstahlsicherung/Wegfahrsperre
Stromerzeuger, hydraulisch angetrieben
Befestigungen
Hängeschalttafel
Leistungstrenner
Summer
Kabel
Sensoren
Gehäuse
Kabelumwicklungen
Fußsteuerungen
Kabelverschraubungen
Leuchtdioden
Seilwinde
Rückfahrkameras
Elektrische Wartungssätze
Elektrische Aufwickelvorrichtung
Selbstklebender Aufkleber Logo-Sticker
Danfoss Plus+1
Elektronische Baugruppen
zur By-Pass Verwaltung
Typ Fernschalter
Zur Steuerung von PWM Proportional Magnetventilen
Zur Funktionssteuerung (4-Relais einstellbar)
Proportional elektrischer Bausatz
Zur Lüfter-Umschaltung
Typ Fernschalter
Vollbild
Vorheriges Bild
Nächstes Bild
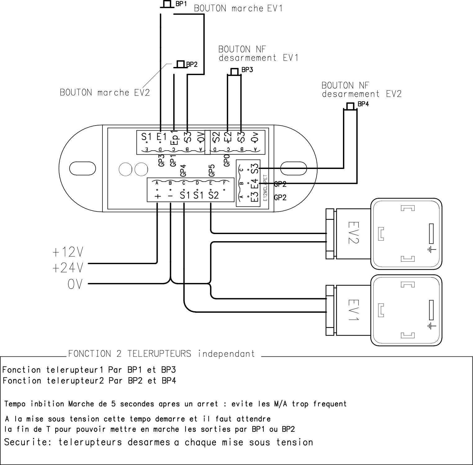
MODULE 2 TELERUPTEURS INDEPENDANTS
Artikel-Nr Rau Serta :
E12M2TELE3
drucken
teilen
+49 (0)7021/7377-0
Kontakt
Kontakt
schließen
Sie wollen sofort eine Antwort?
Kontaktieren Sie uns unter +49 (0)7021/7377-0
Um den Preis zu sehen
Ein Konto erstellen
oder
Technische Informationen
schließen
Teilen Sie dieses Produkt auf
Facebook
Linkedin
Mail
Abbrechen
schließen
Wird geladen ...