White/Danfoss Motor Typ OMS + Sensor, 315cc, zyl. Welle 32mm, 4 Loch-Frontflansch 106,8mm, G1/2"
Artikel-Nr Rau Serta : MHS315A3AD7
Technische Informationen
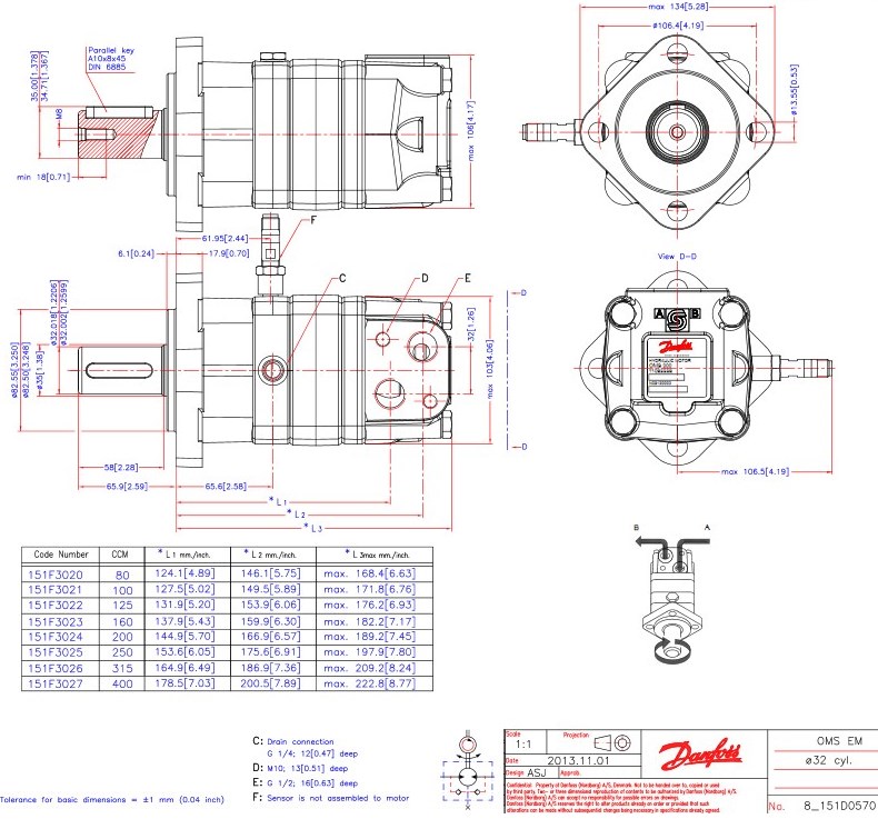
Orbital Motor OMS 315 EM
- Welle: zylindrich Ø= 32 mm
- Flansch: 4 Löcher Ø 106.4 - Zentrierung Ø 82.5mm
- Anschlüße: seitlicher G1/2 - Lecköl G1/4G
- mit PNP-Geschwindigkeitssensor - 11-30VDC - M12
55 Impulse / Umdrehungen
Original Danfoss 151F3026
- Welle: zylindrich Ø= 32 mm
- Flansch: 4 Löcher Ø 106.4 - Zentrierung Ø 82.5mm
- Anschlüße: seitlicher G1/2 - Lecköl G1/4G
- mit PNP-Geschwindigkeitssensor - 11-30VDC - M12
55 Impulse / Umdrehungen
Original Danfoss 151F3026

technische Daten
| Type Moteur | OMS | ||
| Hubraum | 315 | cm³/tr | |
| Type de flasque | Flasque 4 trous - centrage Ø82.5mm | ||
| Art der Antriebswelle | Zylindrisch | ||
| Taille de l'arbre | 32 mm | ||
| Position des orifices | Orifices décalés | ||
| Taille des orifices A et B | G1/2 | ||
| Taille du drain | G1/4 | ||
| Type de roulement | Roulement à rouleaux conique | ||
| Geschwindigkeitssensor (Vorausstatt | Oui | ||
| Peinture | Non peint | ||
| Marke | Danfoss / White WDMS |
