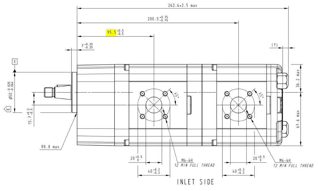
Doppelpumpe mit Vorsatzlager für CLAAS RB140 17+11cc Code Sauer SNP2/17SSC73/DUZ + SNP2/11SFR03
Artikel-Nr Rau Serta : P040050S
Technische Informationen
Montage CLAAS RB140
code Turolla 181.20.C22.00 ( 211.20.722.00 + 111.20.079.00 )
Code Sauer SNP2/17SSC73/DUZ + SNP2/11SFR03
code Turolla 181.20.C22.00 ( 211.20.722.00 + 111.20.079.00 )
Code Sauer SNP2/17SSC73/DUZ + SNP2/11SFR03

