Stromregelventil proportional für 9
Artikel-Nr Rau Serta : DDP90501H1
Produkt wurde ersetzt durch :
3-Wege-Proportional-Stromteiler KIT ( DDPA0501D1 )
Technische Informationen
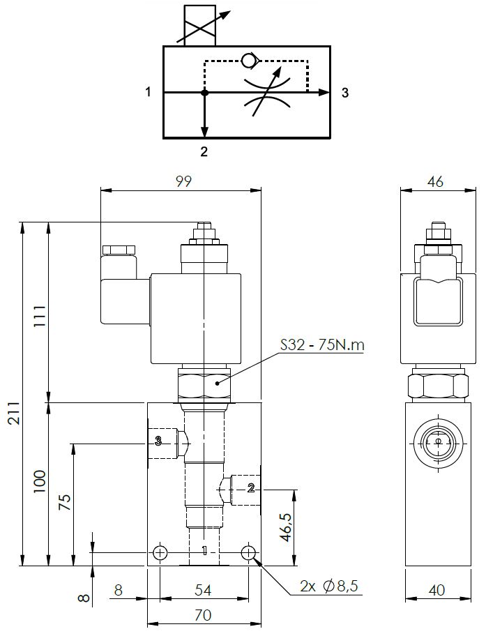
Stromregelventil proportional 90L/12V ohne Rückschlagventil
- Eingangsdurchfluß 90 L/min.
- Konstantstrom einstellbar 0 - 50 L/min
- Druck max. 210 bar
- Anschlußgewinde 1/2"
- Reststrom kann unter Druck weitergeführt werden
- mit Bedienbox 12V
- Potentiometer Einstellung 1 - 10
- Eingangsdurchfluß 90 L/min.
- Konstantstrom einstellbar 0 - 50 L/min
- Druck max. 210 bar
- Anschlußgewinde 1/2"
- Reststrom kann unter Druck weitergeführt werden
- mit Bedienbox 12V
- Potentiometer Einstellung 1 - 10

technische Daten
| Spannung | 12 VCC | Volt | |
| maximales Fördervolumen | 90 | l/min | |
| Type Régulation de débit | Proportionnelle PWM 0 - 50 L/min | ||
| Max. Betriebsdruck | 315 | bar | |
| Limiteur de pression | Non | ||
| Implantation orifice P | G1/2 | ||
| Implantation orifices A&B et/ou R | G1/2 | ||
| Typ Anschlusstechnik | Hirschmann-Stecker DIN 43650 | ||
| Option | Sans option | ||
| Steuerungstyp | Avec |
