BG3 Hydraulikpumpe 55cm³ links Konus 1/5 Flansch 102x145mm Anschlüsse 55x55
Artikel-Nr Rau Serta : P355S25ACS
Technische Informationen
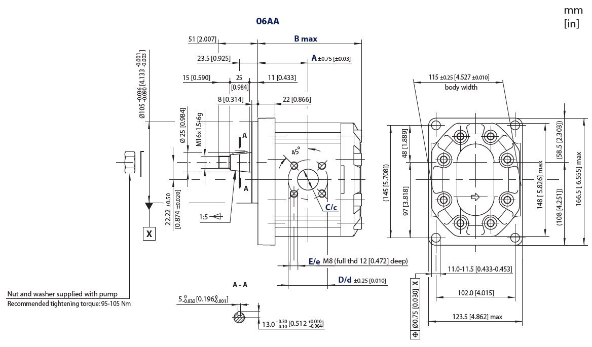
Hydraulikzahnradpumpe BG3 55cm³
- Drehrichtung: links
- Welle: Konus 1/5
- Flansch: 102x145mm
Zentrierung: D=105 mm
- Saug-/Druckanschlüsse quadratisch
55x55 mm
- Drehrichtung: links
- Welle: Konus 1/5
- Flansch: 102x145mm
Zentrierung: D=105 mm
- Saug-/Druckanschlüsse quadratisch
55x55 mm


technische Daten
| Gruppe | Baugröße 3 | ||
| Hubraum | 55.1 | cm³/tr | |
| Drehrichtung | Links | ||
| Frontflansch | DIN | ||
| Art der Antriebswelle | Konisch | ||
| Maße der Antriebswelle | 1/5 | ||
| Flansch-Typ | Deutsch (Quadrat) | ||
| Ansaugöffnung | 55x55 (vis M8x125) | ||
| Drucköffnung | 55x55 (vis M8x125) | ||
| Marke | Sauer Danfoss / Turolla |
