Zahnradpumpe 14cc Konus 1/5 links Frontflansch 72x100 Zentrierung 80mm Anschlüsse 40x30mm
Artikel-Nr Rau Serta : P214S25BCS
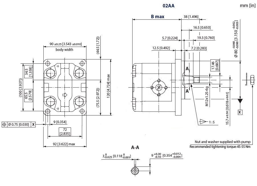
Technische Informationen
Zahnradpumpe BG2
Leistung : 14cc
Drehrichtung : links
DIN Frontflansch 72x100mm
Zentrierung : 80mm
Welle : Konus 1/5
Rautenförmige Saug- und Druckanschlüsse 40x30mm.
Original Sauer
Leistung : 14cc
Drehrichtung : links
DIN Frontflansch 72x100mm
Zentrierung : 80mm
Welle : Konus 1/5
Rautenförmige Saug- und Druckanschlüsse 40x30mm.
Original Sauer


technische Daten
| Gruppe | Baugröße 2 | ||
| Hubraum | 14.4 | cm³/tr | |
| Drehrichtung | Links | ||
| Frontflansch | DIN | ||
| Art der Antriebswelle | Konisch | ||
| Maße der Antriebswelle | 1/5 | ||
| Flansch-Typ | Italienisch (Raute) | ||
| Ansaugöffnung | 40x40 (Vis M8x125) | ||
| Drucköffnung | 30x30 (Vis M6x100) | ||
| Marke | Sauer Danfoss / Turolla |
