Hydraulikpumpe 6cm³
Artikel-Nr Rau Serta : P206D59GCS
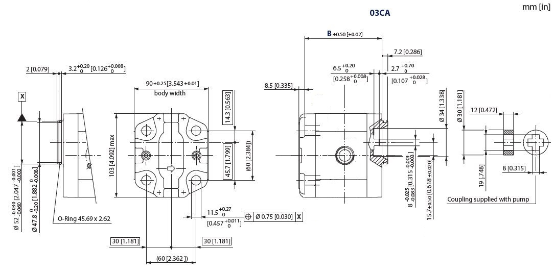
Technische Informationen
Hydraulikpumpe 6cm³
- Baugröße: 2
- Drehrichtung: rechtsdrehend
- Welle: Klauenwelle
- Saug- und Druckanschluss: 1/2" & 1/2"
- Baugröße: 2
- Drehrichtung: rechtsdrehend
- Welle: Klauenwelle
- Saug- und Druckanschluss: 1/2" & 1/2"


technische Daten
| Gruppe | Baugröße 2 | ||
| Hubraum | 6 | cm³/tr | |
| Drehrichtung | Rechts | ||
| Frontflansch | A vis traversantes 2 trous Ø52mm + Oring | ||
| Art der Antriebswelle | Schraubendreher | ||
| Flansch-Typ | Gewindebohrung | ||
| Ansaugöffnung | 1/2" BSP | ||
| Drucköffnung | 1/2" BSP | ||
| Marke | Sauer Danfoss / Turolla |
