BG2 Zahnradpumpe 4 cc Drehrichtung rechts Konus 1/8 Frontflansch 71,5x96,2mm Anschlüsse 40x35mm
Artikel-Nr Rau Serta : P204D18ABS
Technische Informationen
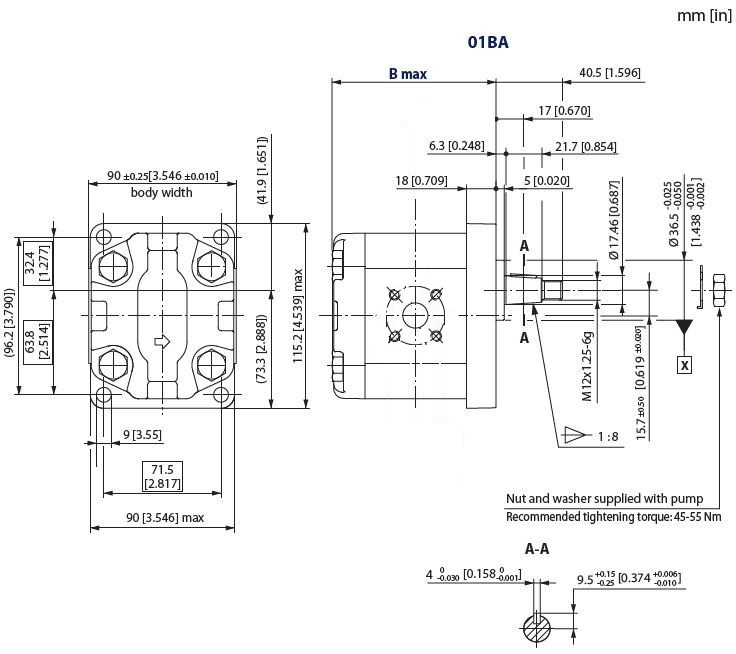
Zahnradpumpe BG2
Leistung : 3,9cc
Drehrichtung : rechts
italienischer Frontflansch 71,5x96,2mm
Zentrierung : 36,5mm
Welle : Konus 1/8
Quadratische Saug- und Druckanschlüsse 40x 35mm.
Original Sauer
Leistung : 3,9cc
Drehrichtung : rechts
italienischer Frontflansch 71,5x96,2mm
Zentrierung : 36,5mm
Welle : Konus 1/8
Quadratische Saug- und Druckanschlüsse 40x 35mm.
Original Sauer


technische Daten
| Gruppe | Baugröße 2 | ||
| Hubraum | 3.9 | cm³/tr | |
| Drehrichtung | Rechts | ||
| Frontflansch | Italienisch | ||
| Art der Antriebswelle | Konisch | ||
| Maße der Antriebswelle | 1/8 | ||
| Flansch-Typ | Deutsch (Quadrat) | ||
| Ansaugöffnung | 40x40 (vis M6x100) | ||
| Drucköffnung | 35x35 (vis M6x100) | ||
| Marke | Sauer Danfoss / Turolla |
