BG3 Zahnradpumpe 48cc rechts Konus 1/8 Flansch: 128,1x98,4mm Anschlüsse 51x51mm
Artikel-Nr Rau Serta : P348D18BFS01
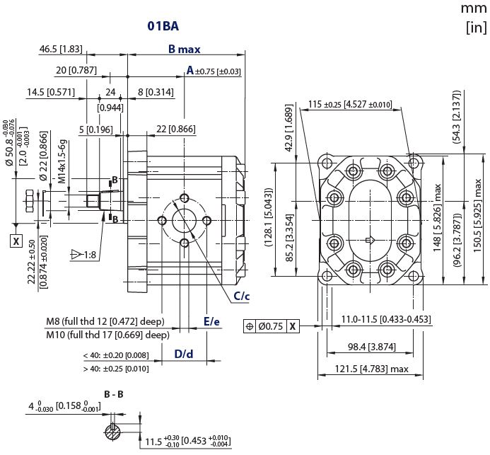
Technische Informationen
Hydraulikzahnradpumpe BG3 48cm³
- Drehrichtung: rechts
- Welle: Konus 1/8
- Flansch: 128,1x98,4mm
Zentrierung: D=50,8 mm
- Saug-/Druckanschlüsse rautenförmig 51x51 mm
Original Sauer
- Drehrichtung: rechts
- Welle: Konus 1/8
- Flansch: 128,1x98,4mm
Zentrierung: D=50,8 mm
- Saug-/Druckanschlüsse rautenförmig 51x51 mm
Original Sauer


technische Daten
| Gruppe | Baugröße 3 | ||
| Hubraum | 48.3 | cm³/tr | |
| Drehrichtung | Rechts | ||
| Frontflansch | Italienisch | ||
| Art der Antriebswelle | Konisch | ||
| Maße der Antriebswelle | 1/8 | ||
| Flansch-Typ | Italienisch (Raute) | ||
| Ansaugöffnung | 51x51 (vis M10x150) | ||
| Drucköffnung | 51x51 (Vis M10x150) | ||
| Marke | Sauer Danfoss / Turolla |
