Zahnradpumpe 11cc Drehrichtung links Konus 1/8 Frontflansch 71,5x96,2mm Anschlüsse 30x30mm
Artikel-Nr Rau Serta : P211S18BBS
Technische Informationen
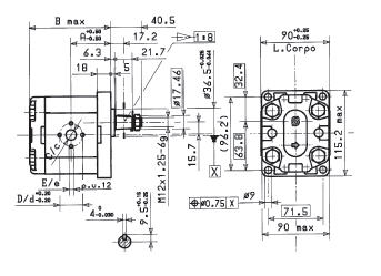
Zahnradpumpe BG2
Leistung : 11cc
Drehrichtung : links
italienischer Frontflansch 71,5x96,2mm
Zentrierung : 36,5mm
Welle : Konus 1/8
Rautenförmige Saug- und Druckanschlüsse 30x30mm.
Original Sauer
Leistung : 11cc
Drehrichtung : links
italienischer Frontflansch 71,5x96,2mm
Zentrierung : 36,5mm
Welle : Konus 1/8
Rautenförmige Saug- und Druckanschlüsse 30x30mm.
Original Sauer


technische Daten
| Gruppe | Baugröße 2 | ||
| Hubraum | 10.8 | cm³/tr | |
| Drehrichtung | Links | ||
| Frontflansch | Italienisch | ||
| Art der Antriebswelle | Konisch | ||
| Maße der Antriebswelle | 1/8 | ||
| Flansch-Typ | Italienisch (Raute) | ||
| Ansaugöffnung | 30x30 (Vis M6x100) | ||
| Drucköffnung | 30x30 (Vis M6x100) | ||
| Marke | Sauer Danfoss / Turolla |
