POMPE GR3 26CM3 ROTD FLASQUE SAE B
Referencia Hydrokit : P326D94ACS
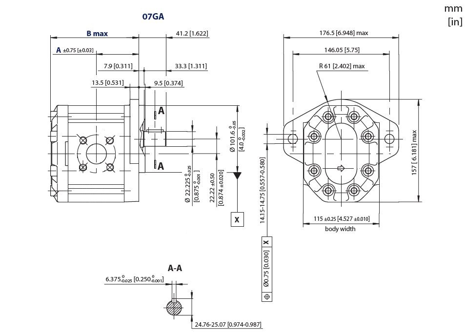
Información técnica


Características técnicas
| Groupe | Groupe 3 | ||
| Desplazamiento | 26.2 | cm³/tr | |
| Sentido de rotación | Droite | ||
| Frasco | SAE-B 2 trous Centrage Ø101.6mm | ||
| Tipo de árbol | Cylindrique | ||
| Clasificación de los árboles | SAEB Ø22.2mm Lg 41.2mm | ||
| Type de bride | Allemande (Carré) | ||
| Dimensiones del orificio aspiración | 55x55 (vis M8x125) | ||
| Dimensiones del orificio de descarg | 55x55 (vis M8x125) | ||
| Marque | Sauer Danfoss / Turolla |