BG3 55 cc Zahnradpumpe - Linkslauf - SAE B Flansch SAE B Zyl
Artikel-Nr Rau Serta : P355S94EJS
Technische Informationen
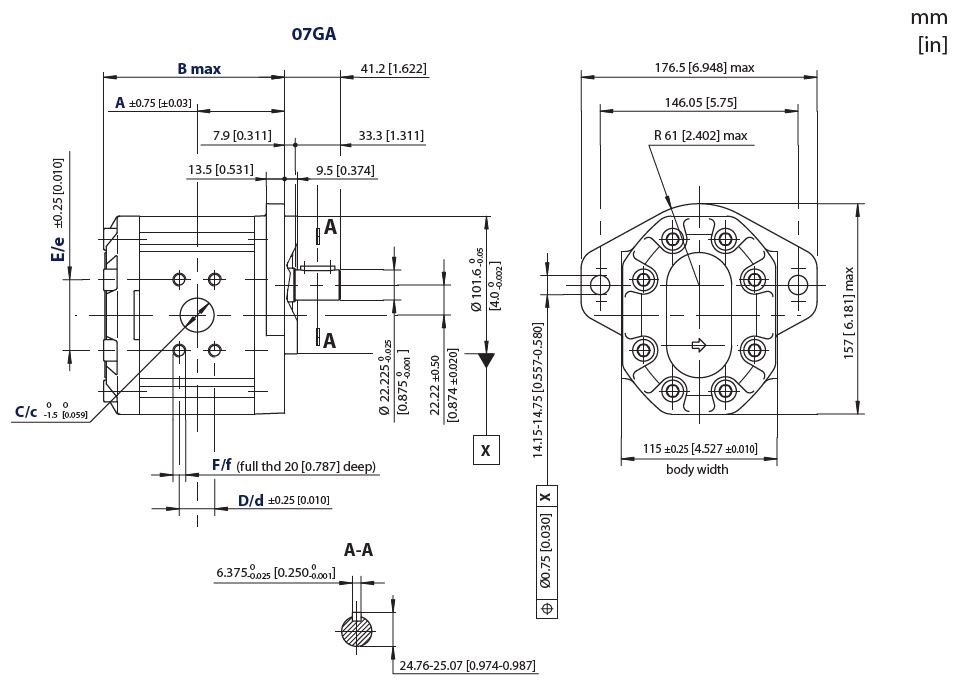
BG3 55 cc Zahnradpumpe - Linkslauf - SAE B Flansch SAE B Zyl. Welle Ø22,22mm


technische Daten
| Gruppe | Baugröße 3 | ||
| Hubraum | 55.1 | cm³/tr | |
| Drehrichtung | Links | ||
| Frontflansch | SAE-B 2 Löcher Zentrierung Ø101.6mm | ||
| Art der Antriebswelle | Zylindrisch | ||
| Maße der Antriebswelle | SAEB Ø22.2mm Lg 41.2mm | ||
| Flansch-Typ | SAE (Rechteckige UNC-Schraube) | ||
| Ansaugöffnung | 70x36 (Vis 1/2" 13 UNC) | ||
| Drucköffnung | 59x30 (Vis 7/16" 14 UNC) | ||
| Marke | Sauer Danfoss / Turolla |
