Hydraulikpumpe 55cm³ Baugröße 3
Artikel-Nr Rau Serta : P355S94GFS
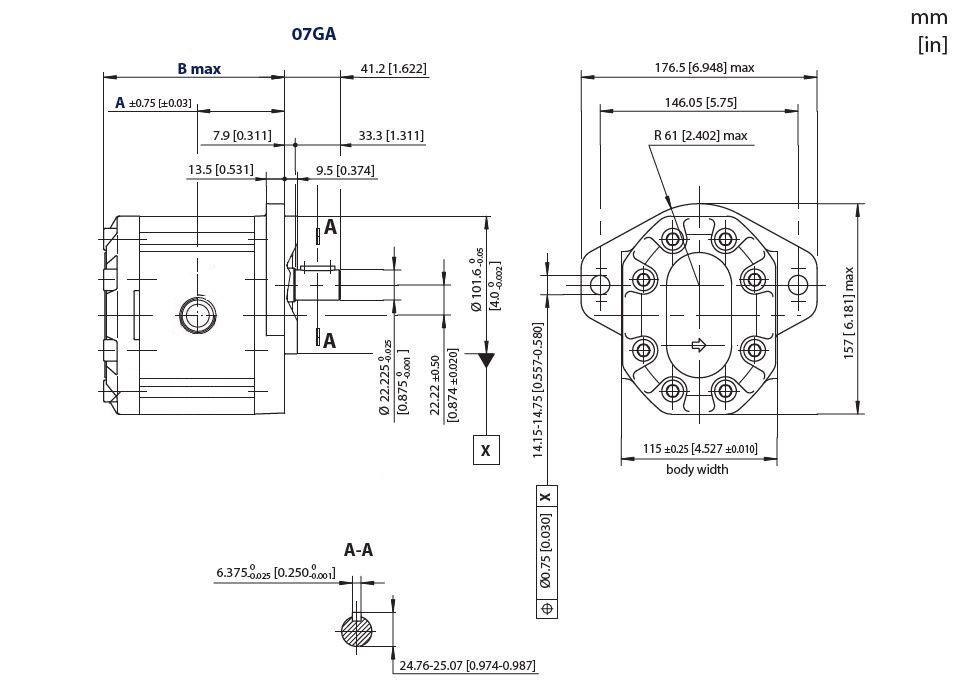
Technische Informationen
Hydraulikpumpe 55 cm³/U. Baugröße 3
linksdrehend
zyl. Welle 22,22 mm
linksdrehend
zyl. Welle 22,22 mm


technische Daten
| Gruppe | Baugröße 3 | ||
| Hubraum | 55.1 | cm³/tr | |
| Drehrichtung | Links | ||
| Frontflansch | SAE-B 2 Löcher Zentrierung Ø101.6mm | ||
| Art der Antriebswelle | Zylindrisch | ||
| Maße der Antriebswelle | SAEB Ø22.2mm Lg 41.2mm | ||
| Flansch-Typ | Gewindebohrung | ||
| Ansaugöffnung | 1" BSP | ||
| Drucköffnung | 3/4" BSP | ||
| Marke | Sauer Danfoss / Turolla |
