POMPE GR1 3,2CC ROTD CYL 12 MM
Referencia Hydrokit : P132D26BAS
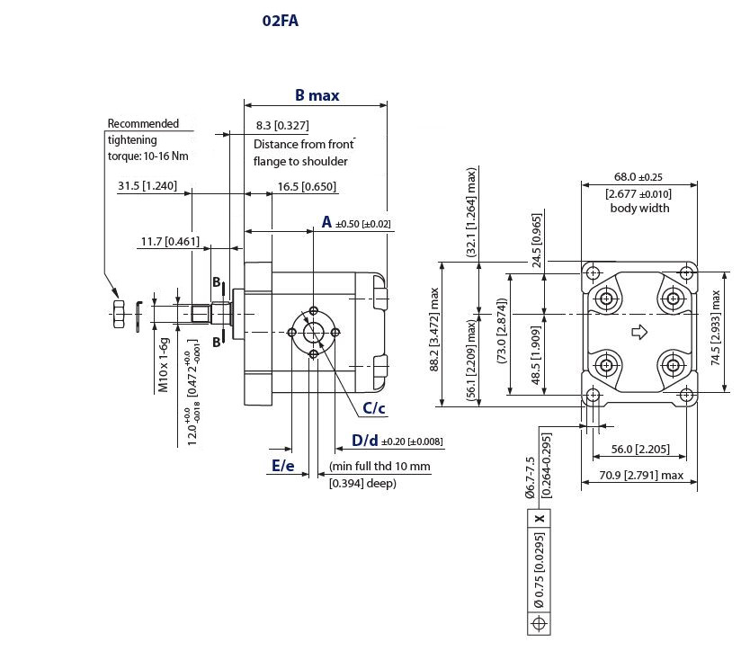
Información técnica


Características técnicas
| Groupe | Groupe 1 | ||
| Desplazamiento | 3.2 | cm³/tr | |
| Sentido de rotación | Droite | ||
| Frasco | Italien centrage Ø30 | ||
| Tipo de árbol | Cylindrique | ||
| Clasificación de los árboles | Ø12mm | ||
| Type de bride | Italienne (Losange) | ||
| Dimensiones del orificio aspiración | 26x26 (Vis M5x100) | ||
| Dimensiones del orificio de descarg | 26x26 (M5x100) | ||
| Marque | Sauer Danfoss / Turolla |