POMPE GR1 6,0CC ROTD CENT. 30MM 1/8
Referencia Hydrokit : P160D28BAS
Información técnica


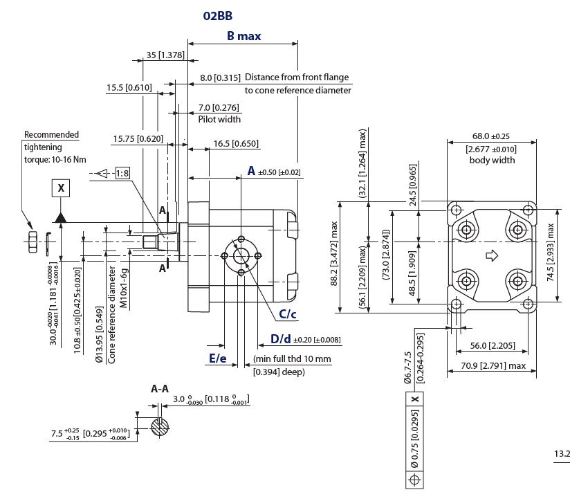
Características técnicas
| Groupe | Groupe 1 | ||
| Desplazamiento | 6 | cm³/tr | |
| Sentido de rotación | Droite | ||
| Tipo de árbol | Conique | ||
| Clasificación de los árboles | 1/8 | ||
| Type de bride | Italienne (Losange) | ||
| Dimensiones del orificio aspiración | 26x26 (Vis M5x100) | ||
| Dimensiones del orificio de descarg | 26x26 (M5x100) | ||
| Marque | Sauer Danfoss / Turolla |