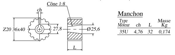
MANCHON 20 DENTS L 32MM PPE 3,
Referencia Hydrokit : MC3T
Información técnica

Características técnicas
| Tipo de árbol | Conique | ||
| Diamètre extérieur | 40 | mm | |
| Nombre de dents exterieur | 20 |

| Tipo de árbol | Conique | ||
| Diamètre extérieur | 40 | mm | |
| Nombre de dents exterieur | 20 |