Información técnica

Características técnicas
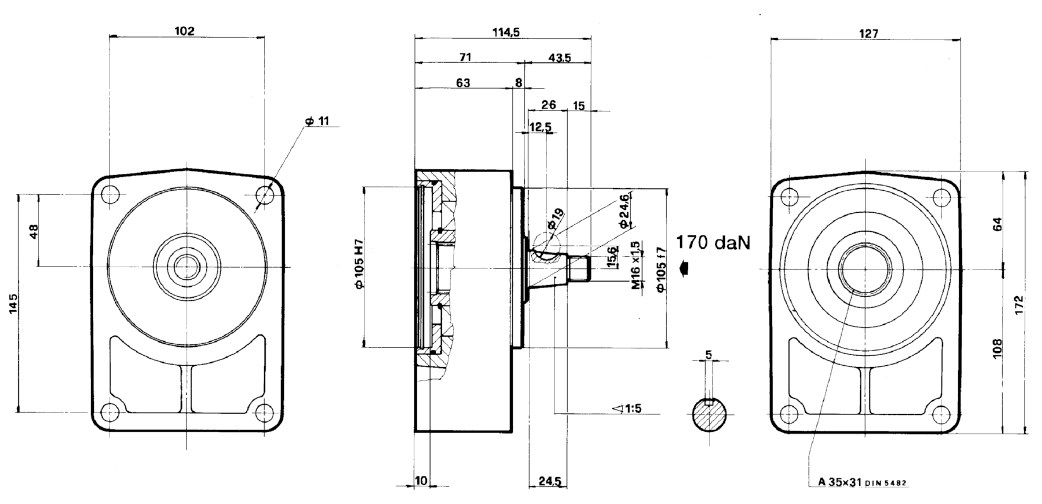
| Type de flasque | Flasque DIN 102x145 - centrage Ø105m | ||
| Type d'arbre sortie | Male conique 1/5 - GR3 | ||
| Frasco | DIN | ||
| Type d'arbre entrée | DIN5482 35X31 Z18 |

| Type de flasque | Flasque DIN 102x145 - centrage Ø105m | ||
| Type d'arbre sortie | Male conique 1/5 - GR3 | ||
| Frasco | DIN | ||
| Type d'arbre entrée | DIN5482 35X31 Z18 |