Artikel-Nr Rau Serta : DEEC020C6O2401C
Información técnica

Características técnicas
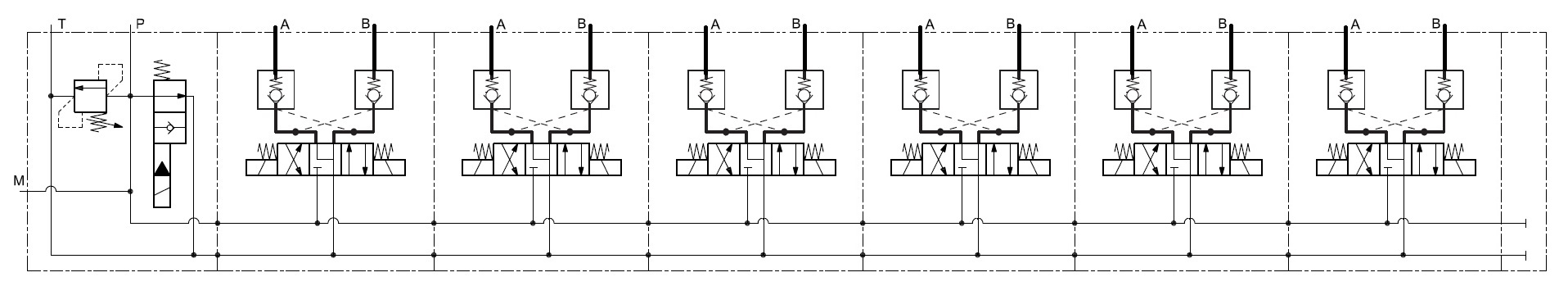
| Débit maxi | 20 | l/min | |
| Pression maxi d'utilisation | 250 | bar | |
| Nombre de section(s) | 6 | ||
| Tensión | 24 VCC | Volt | |
| Option | Sans option |

| Débit maxi | 20 | l/min | |
| Pression maxi d'utilisation | 250 | bar | |
| Nombre de section(s) | 6 | ||
| Tensión | 24 VCC | Volt | |
| Option | Sans option |