Referencia Hydrokit : DEEC030A7O1201
Información técnica

Características técnicas
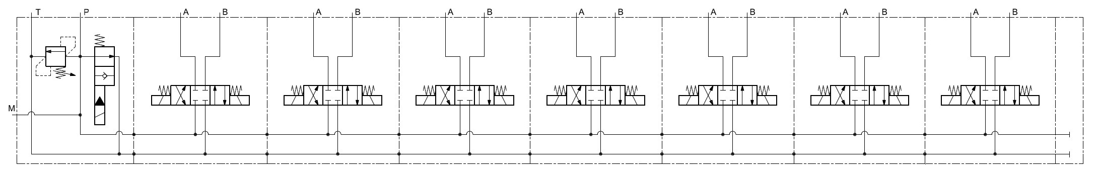
| Débit maxi | 30 | l/min | |
| Pression maxi d'utilisation | 250 | bar | |
| Nombre de section(s) | 7 | ||
| Tensión | 12 VCC | Volt | |
| Option | Sans option |

| Débit maxi | 30 | l/min | |
| Pression maxi d'utilisation | 250 | bar | |
| Nombre de section(s) | 7 | ||
| Tensión | 12 VCC | Volt | |
| Option | Sans option |