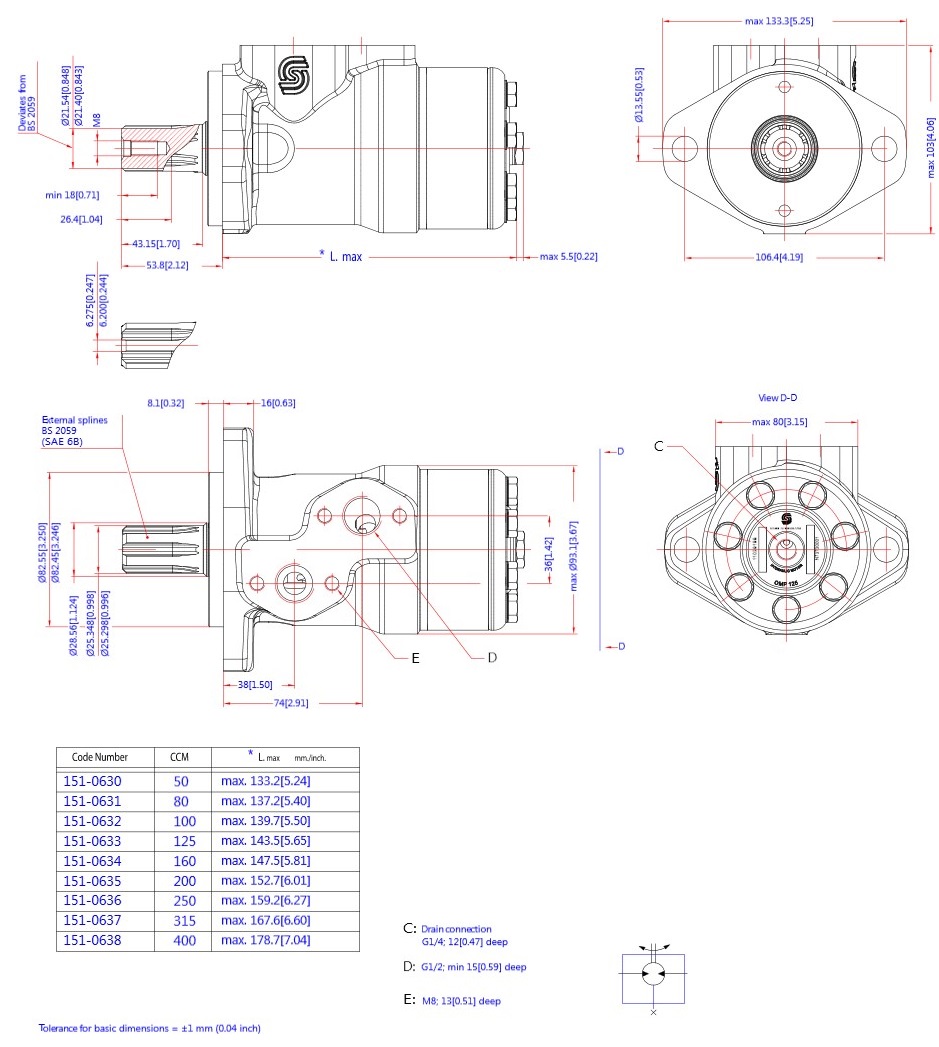
MOTOR OMP 50 EJE 6 DIENTES SAE6B
Referencia Hydrokit : MHP050C1AD
Producto sustituido por la referencia :
MOTEUR OMPX 50CC 6DENTS SAE6B ( MHP050ACAX )
Información técnica

Características técnicas
| Type Moteur | OMP Gerotor | ||
| Desplazamiento | 50 | cm³/tr | |
| Type de flasque | Flasque 2 trous SAE A | ||
| Tipo de árbol | Cannelé | ||
| Taille de l'arbre | 6 dents PTO SAE6B Ø25.4 | ||
| Position des orifices | Orifices décalés | ||
| Taille des orifices A et B | G1/2 | ||
| Taille du drain | G1/4 | ||
| Joint d'arbre | Joint 225 bar | ||
| Type de roulement | Palier fluide | ||
| Sensor de velocidad (predisposición | Non | ||
| Peinture | Non peint | ||
| Marque | Danfoss / White WDMS |