Plaque d'entrée - G1/2 - 50L/min - 250bar - LP 200 à 350b - Prédispo BP
Référence Hydrokit : PEEDLP1BP003R
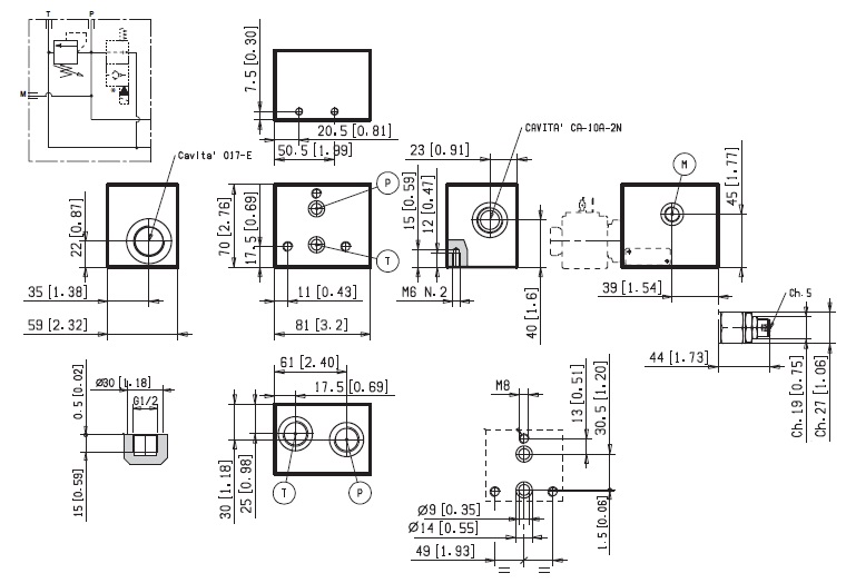
Informations techniques
Plaque d'entrée pour distributeur empilable série ED Rexroth
Pression maxi : 250 bar
Orifices P&T : G1/2
Orifice prise de pression M : G1/4
Débit maxi : 50L/min
Limiteur de pression plage 200 à 350bar
Prédisposition pour cartouche Bypass - cavité 017-E (G3/4)
Matière : Aluminium
Code Rexroth : R933003207
Model code : TE05-03-SV-AL
Pression maxi : 250 bar
Orifices P&T : G1/2
Orifice prise de pression M : G1/4
Débit maxi : 50L/min
Limiteur de pression plage 200 à 350bar
Prédisposition pour cartouche Bypass - cavité 017-E (G3/4)
Matière : Aluminium
Code Rexroth : R933003207
Model code : TE05-03-SV-AL

Caractéristiques techniques
| Type de composants | Plaque d'entrée |

