Informations techniques
30mm plus long que le M242000B

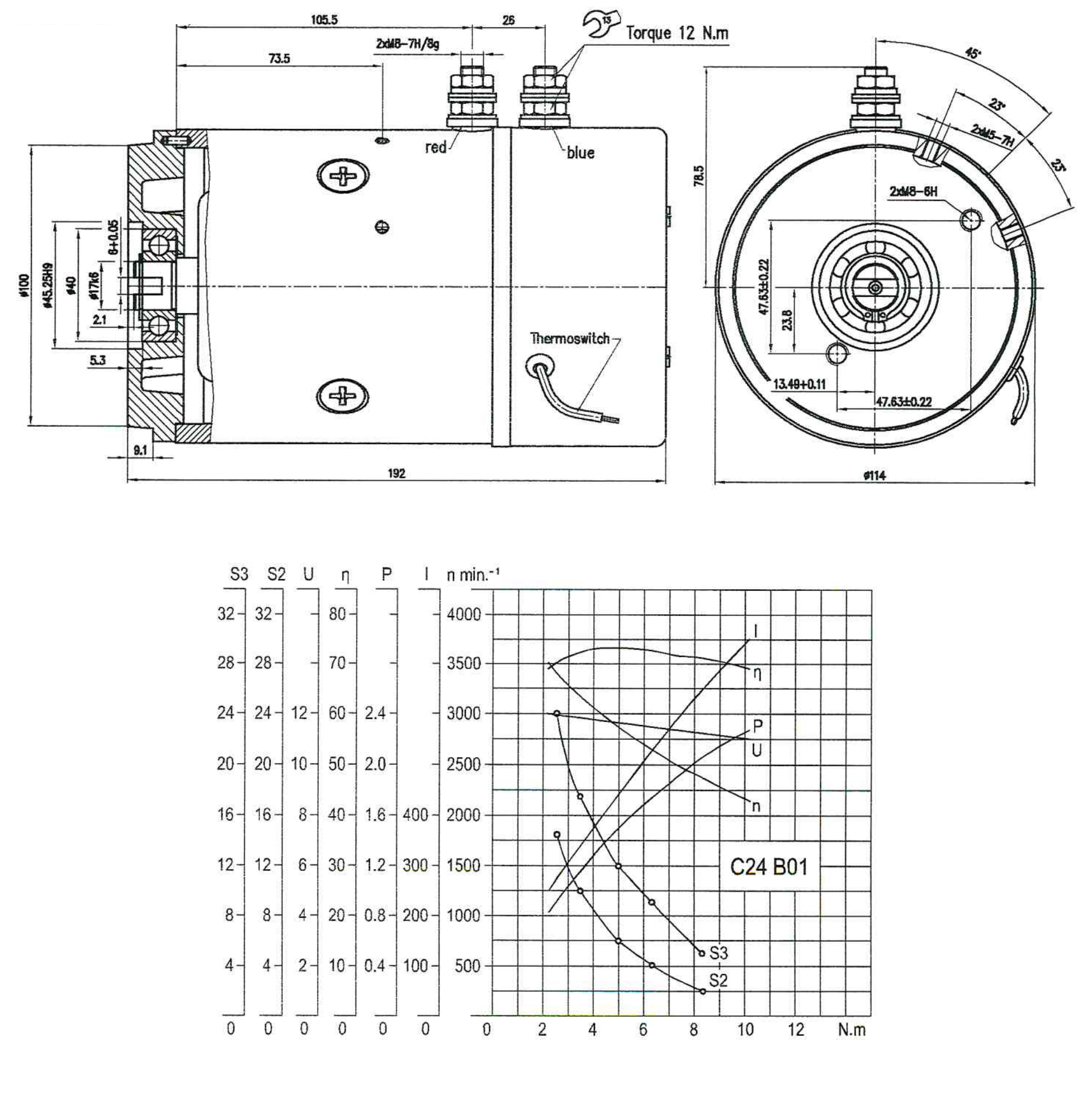
Caractéristiques techniques
| Type Moteur | Courant Continu | ||
| Diamètre extérieur | 114 | mm | |
| Puissance (KW) | 2.0 | KiloWatt | |
| Tension | 24 VCC | Volt | |
| Sens de rotation | Droite | ||
| Vitesse en sortie | 2300 | Tr/min | |
| Facteur de service | S2 - 2min | ||
| Indice de protection | IP44 |

