Moteur OMH 100cc - arbre cylindrique Ø32mm - Flasque SAEA 6 trous - G1/2 - Série TF
Référence Hydrokit : MHH100P3AT
Informations techniques
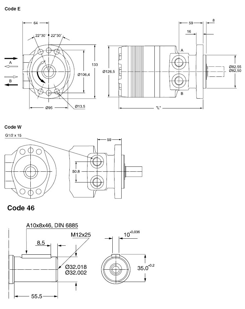
Flasque SAE 6 trous
Arbre Cylindrique Ø32mm
Vitesse maxi : 570 tr/min en continue - 750tr/min en intermitance
Chute de pression maxi : 155bar
Pression maxi en entrée : 300bar
Puissance maxi en continue : 24.9Kw
Parker TF0100EW460AAAB
Arbre Cylindrique Ø32mm
Vitesse maxi : 570 tr/min en continue - 750tr/min en intermitance
Chute de pression maxi : 155bar
Pression maxi en entrée : 300bar
Puissance maxi en continue : 24.9Kw
Parker TF0100EW460AAAB
Voir aussi moteur type MHS100A3AD - dépannage possible suivant type de montage

Caractéristiques techniques
| Type Moteur | OMH | ||
| Cylindrée | 100 | cm³/tr | |
| Type de flasque | Flasque 6 trous SAE A | ||
| Type d'arbre | Cylindrique | ||
| Taille de l'arbre | 32 mm | ||
| Position des orifices | Orifices alignés | ||
| Taille des orifices A et B | G1/2 | ||
| Type de roulement | Roulement à aiguille | ||
| Capteur de vitesse (prédisposition) | Non | ||
| Peinture | Non peint | ||
| Marque | Parker |

