1/2 accouplement pompe 9 dents 16/32
Référence Hydrokit : NS65CG91632
Informations techniques
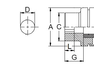
1/2 ACCOUPLEMENT POMPE HYDRAULIQUE
ARBRE 9 DENTS 16/32
LONGUEUR CANNELEE = 17MM
LONGEUR TOTALE (HORS PARTIE FLECTOR) = 23.5MM
ARBRE 9 DENTS 16/32
LONGUEUR CANNELEE = 17MM
LONGEUR TOTALE (HORS PARTIE FLECTOR) = 23.5MM

|
A |
C |
G |
D |
L |
|
|
65 |
53 |
23.5 |
9 dents 16/32 |
17 |
|
Caractéristiques techniques
| Type d'arbre | Cannelé | ||
| Cote pompe | Z9 16/32 SAE A |

