Pompe GR1 1.7 cm3 - rotation droite - flasque SAE A arbre cannelé Z9
Référence Hydrokit : P117D67JAS
Informations techniques
Pompe … engrenages
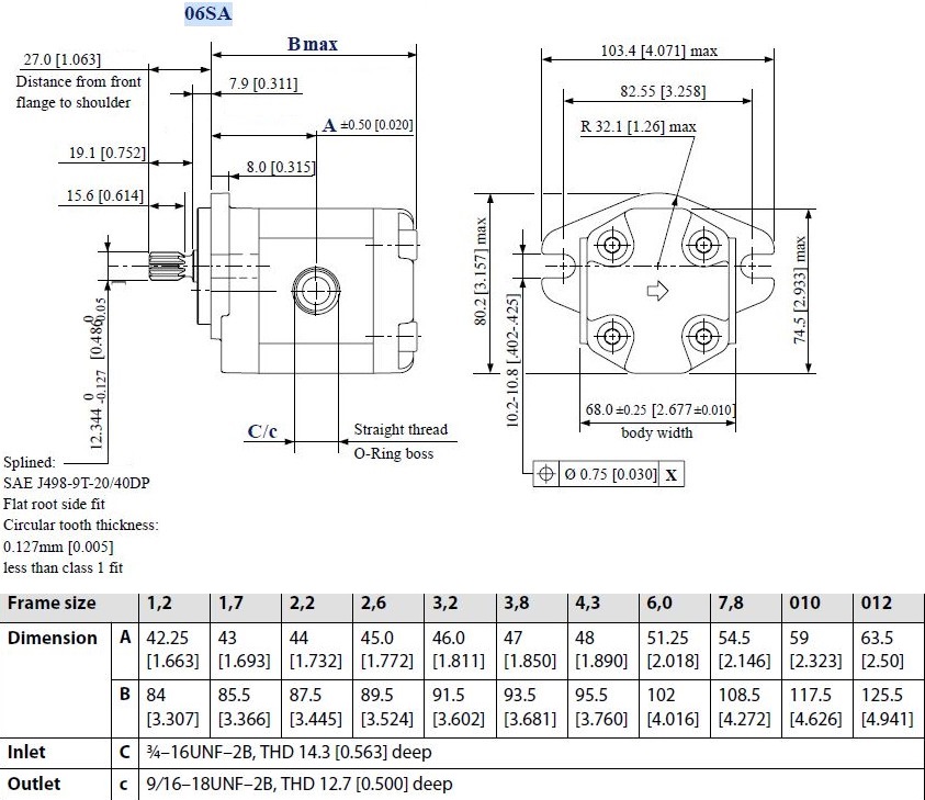
Cylindree: 1.7cc
Rotation droite
Flasque 2 trous SAE A-A
Centrage 50.8mm
Arbre 9dts 16/32DP
Aspiration taraudee : 3/4-16UNF
Refoulement taraudee : 9/16-18UNF
code Danfoss : 111.12.073.0C - SKP1NN/1,7RN06SAP1E4E3NNNB/NNNNN
Ancien code : SKP1/1,7D SC06 LML_.
Cylindree: 1.7cc
Rotation droite
Flasque 2 trous SAE A-A
Centrage 50.8mm
Arbre 9dts 16/32DP
Aspiration taraudee : 3/4-16UNF
Refoulement taraudee : 9/16-18UNF
code Danfoss : 111.12.073.0C - SKP1NN/1,7RN06SAP1E4E3NNNB/NNNNN
Ancien code : SKP1/1,7D SC06 LML_.

Caractéristiques techniques
| Groupe | Groupe 1 | ||
| Cylindrée | 1.7 | cm³/tr | |
| Sens de rotation | Droite | ||
| Flasque | SAE-A | ||
| Type d'arbre | Cannelé | ||
| Type de bride | Orifice taraudé | ||
| Marque | Sauer Danfoss / Turolla |

