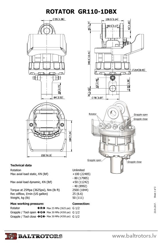
Rotator Baltrotors 10T à arbre Ø78 mm - 4 orifices G1/2 - GR110-1DBX
Référence Hydrokit : ROT100CA2F
Informations techniques
Référence Baltrotors : GR110-1DBX
avec joints tournant 2 orifices 1/2G
avec joints tournant 2 orifices 1/2G

Caractéristiques techniques
| Capacité Statique | 10 | Tonne | |
| Capacité Dynamique | 5 | Tonne | |
| Forme fixation supérieure | Rotule Fourche | ||
| Forme fixation inférieure | Arbre | ||
| Type fixation supérieure | Rotule fourche Ø35 Ep80.5mm | ||
| Type fixation inférieure | Arbre Ø78mm | ||
| Couple Maxi | 2700 | N.m | |
| Débit maxi | 30 | l/min | |
| Pression maxi rotation | 250 | bar | |
| Pression maxi ouverture d'outil | 300 | bar | |
| Pression maxi fermeture d'outil | 300 | bar | |
| Implantation | G1/2 | ||
| Poids | 50 | kg |

