Kit distributeur chargeur 80L 2DE/SE circuit CO/CS- 1BP
Référence Hydrokit : DM80COCS
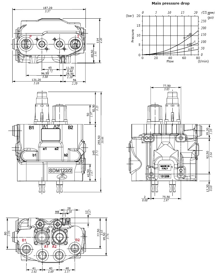
Informations techniques
Avec Kit raccordement pour commande par cable teleflexible
- Première section équipée d'un robinet de sélection simple/double effet avec position flottante
- Deuxième section double effet
- Débit maxi 80L/min
- limiteur principale intégré 175bar (non réglable) - maxi 250bar
- Pression retour maxi 10bar
- Implantion P,T & C: G3/4
- Implantion A & B : G1/2
+ Manipulateur en croix avec 1BP
+ Câbles 2000mm
- Première section équipée d'un robinet de sélection simple/double effet avec position flottante
- Deuxième section double effet
- Débit maxi 80L/min
- limiteur principale intégré 175bar (non réglable) - maxi 250bar
- Pression retour maxi 10bar
- Implantion P,T & C: G3/4
- Implantion A & B : G1/2
+ Manipulateur en croix avec 1BP
+ Câbles 2000mm




