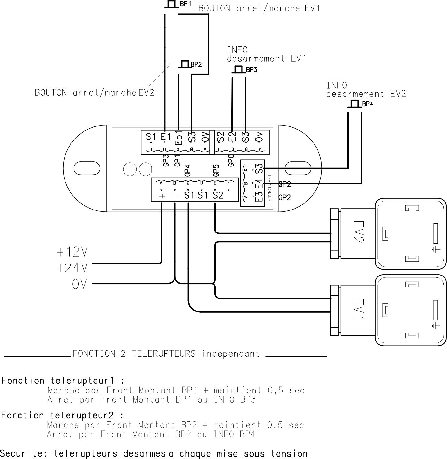
Module 2 télérupteurs indépendants
Référence Hydrokit : E12M2TELE5
Informations techniques
Fonction double télérupteurs indépendants avec
- 1 fonction marche EV1
- 1 fonction arrêt EV1
- 1 fonction marche EV2
- 1 fonction arrêt EV2
- 1 sortie EV1
- 1 sortie EV2
Tension d'alimentation 10-30Vdc
- 1 fonction marche EV1
- 1 fonction arrêt EV1
- 1 fonction marche EV2
- 1 fonction arrêt EV2
- 1 sortie EV1
- 1 sortie EV2
Tension d'alimentation 10-30Vdc


