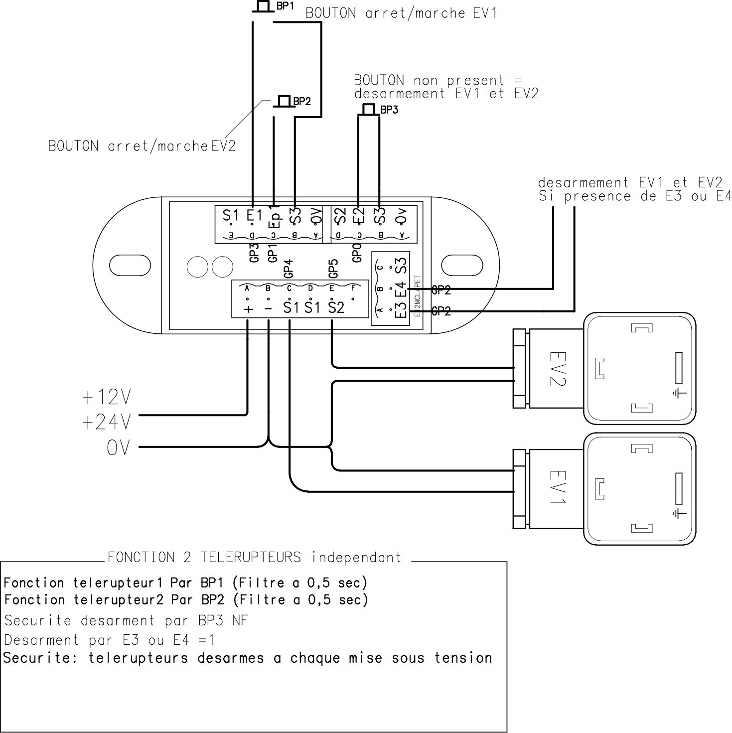
Module 2 télérupteurs interdépendants pour flottante
Référence Hydrokit : E12M2TELE4
Informations techniques
Fonction 2 télérupteurs inderdénpendants avec
- 1 fonction marche / arrêt EV1
- 1 fonction marche / arrêt EV2
- 1 fonction arrêt EV1 / EV2 (contact NF)
- 2 fonction arrêt EV1 / EV2 (contact NO)
- 1 sortie EV1
- 1 sortie EV2
Idéal pour la gestion d'une fonction flottante
Tension d'alimentation 10-30Vdc
- 1 fonction marche / arrêt EV1
- 1 fonction marche / arrêt EV2
- 1 fonction arrêt EV1 / EV2 (contact NF)
- 2 fonction arrêt EV1 / EV2 (contact NO)
- 1 sortie EV1
- 1 sortie EV2
Idéal pour la gestion d'une fonction flottante
Tension d'alimentation 10-30Vdc


