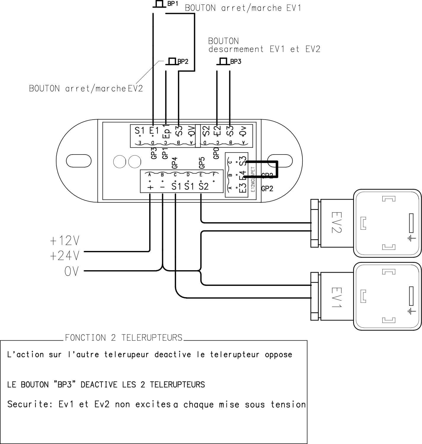
Module 2 télérupteurs interdépendants
Référence Hydrokit : E12M2TELE1
Informations techniques
Fonction 2 télérupteurs interdépendants avec
- 1 fonction marche / arrêt EV1
- 1 fonction marche / arrêt EV2
- 1 fonction arrêt EV1 / EV2
- 1 sortie EV1
- 1 sortie EV2
L'activation d'un télérupteur désactive automatiquement le télérupteur opposé.
Tension d'alimentation 10-30Vdc
- 1 fonction marche / arrêt EV1
- 1 fonction marche / arrêt EV2
- 1 fonction arrêt EV1 / EV2
- 1 sortie EV1
- 1 sortie EV2
L'activation d'un télérupteur désactive automatiquement le télérupteur opposé.
Tension d'alimentation 10-30Vdc


