Radiocommande rétrofit de grue 3 fonctions 12V+bloc CP +bloc actionneur entraxe 40mm course +/-13mm
Référence Hydrokit : HRA000752
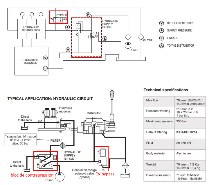
Informations techniques
Pour post équipement radio-commande d'une grue à commande mécanique
> reprise sur tringlerie d'origine , permet de garder le distributeur d'origine
Comprend :
- Une radio commande 3 fonctions proportionnelles 12Vdc + 2 batteries + chargeur
+ gestion démarrage moteur
+ gestion régime moteur
+ option fonction on/off
+ batterie 2000mA/h & chargeur 10-30Vdc
- un bloc électro hydraulique MOD10 3 fonctions - entre-axe 40mm (permet d'actionner la tringlerie)
course 13+13mm
- un récepteur avec faisceau complet
Attention : prévoir bloc de contre-pression + EV bypass
référence Scanreco : RC400R-VPT-MNH-P3-40-A12-P1-X
> reprise sur tringlerie d'origine , permet de garder le distributeur d'origine
Comprend :
- Une radio commande 3 fonctions proportionnelles 12Vdc + 2 batteries + chargeur
+ gestion démarrage moteur
+ gestion régime moteur
+ option fonction on/off
+ batterie 2000mA/h & chargeur 10-30Vdc
- un bloc électro hydraulique MOD10 3 fonctions - entre-axe 40mm (permet d'actionner la tringlerie)
course 13+13mm
- un récepteur avec faisceau complet
Attention : prévoir bloc de contre-pression + EV bypass
référence Scanreco : RC400R-VPT-MNH-P3-40-A12-P1-X

Caractéristiques techniques
| Marque | Scanreco | ||
| Nombre de fonctions prop. | 3 | ||
| Type de composants à piloter | bloc MOD10 | ||
| Tension | 12 VCC | Volt |

