Distributeur empilable électrique compact - 1SE régulé sur A + 5DE A&B fermé - 30L/min - 12vdc
Référence Hydrokit : DEEC030MA5O1201
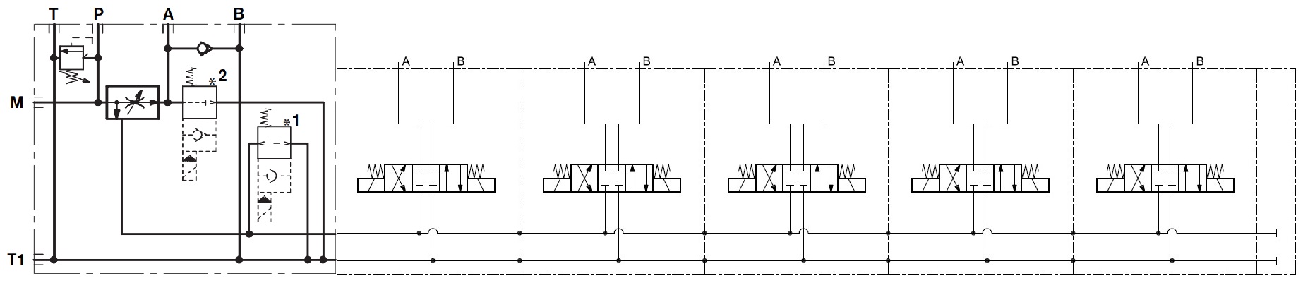
Informations techniques
Distributeur empilable électrique compact
Débit maxi en entrée 50L/min
Débit maxi par section 30L/min
Pression maxi : 250bar
Plaque d'entree P et T G1/2 + régule 3 voies manuelle
Avec limiteur de pression 110 à 220 bar
Diviseur de débit avec débit régulé sur 1SE sur A (max 30l/min) + Bypass
By-Pass 12 vdc pour les sections résiduelles
5 sections double effet G3/8 - schéma L (A&B fermé)
Tension 12 vdc connecteur DIN
Débit maxi en entrée 50L/min
Débit maxi par section 30L/min
Pression maxi : 250bar
Plaque d'entree P et T G1/2 + régule 3 voies manuelle
Avec limiteur de pression 110 à 220 bar
Diviseur de débit avec débit régulé sur 1SE sur A (max 30l/min) + Bypass
By-Pass 12 vdc pour les sections résiduelles
5 sections double effet G3/8 - schéma L (A&B fermé)
Tension 12 vdc connecteur DIN

Caractéristiques techniques
| Débit maxi | 30 | l/min | |
| Pression maxi d'utilisation | 250 | bar | |
| Nombre de section(s) | 5 | ||
| Tension | 12 VCC | Volt | |
| Option | Régule 3 voies manuelle en entrée |

