Distributeur proportionnel PVG100-HF - 1DE 240L/min - centre fermé - AC - PWM PVHC
Référence Hydrokit : DP250AE03
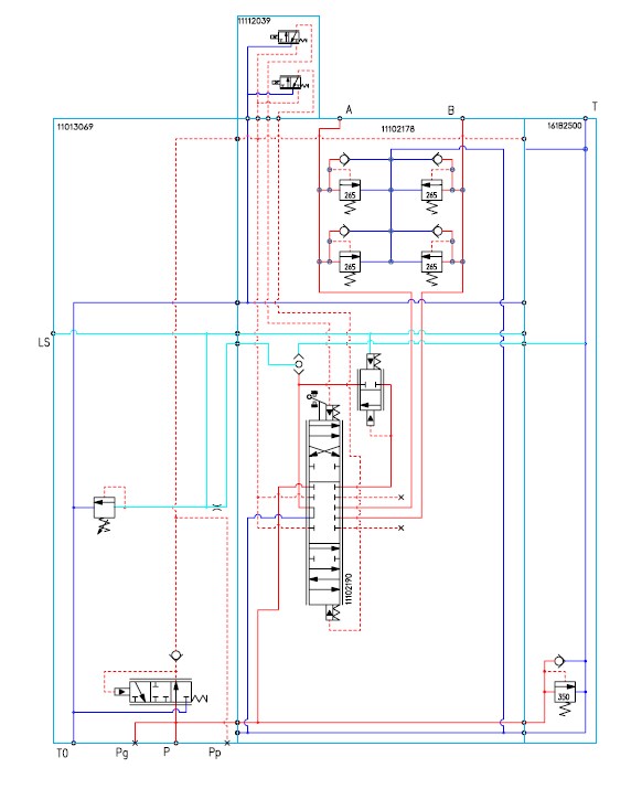
Informations techniques
PVG100-HF - commande PWM PVHC + manuel
plaque d'entrée centre férmé LS - réglé 320bar
P: G1' T0: G1/4' LS :G1/4'
Section Hight Flow 240L/min fermé au neutre + antichoc 260bar
A&B G3/4
plaque de fermeture G1"1/4
plaque d'entrée centre férmé LS - réglé 320bar
P: G1' T0: G1/4' LS :G1/4'
Section Hight Flow 240L/min fermé au neutre + antichoc 260bar
A&B G3/4
plaque de fermeture G1"1/4


