Déviateur 3/2 - G3/8 - 60 l/min - 315bar - type arrêt urgence
Référence Hydrokit : T3AT038ARUW
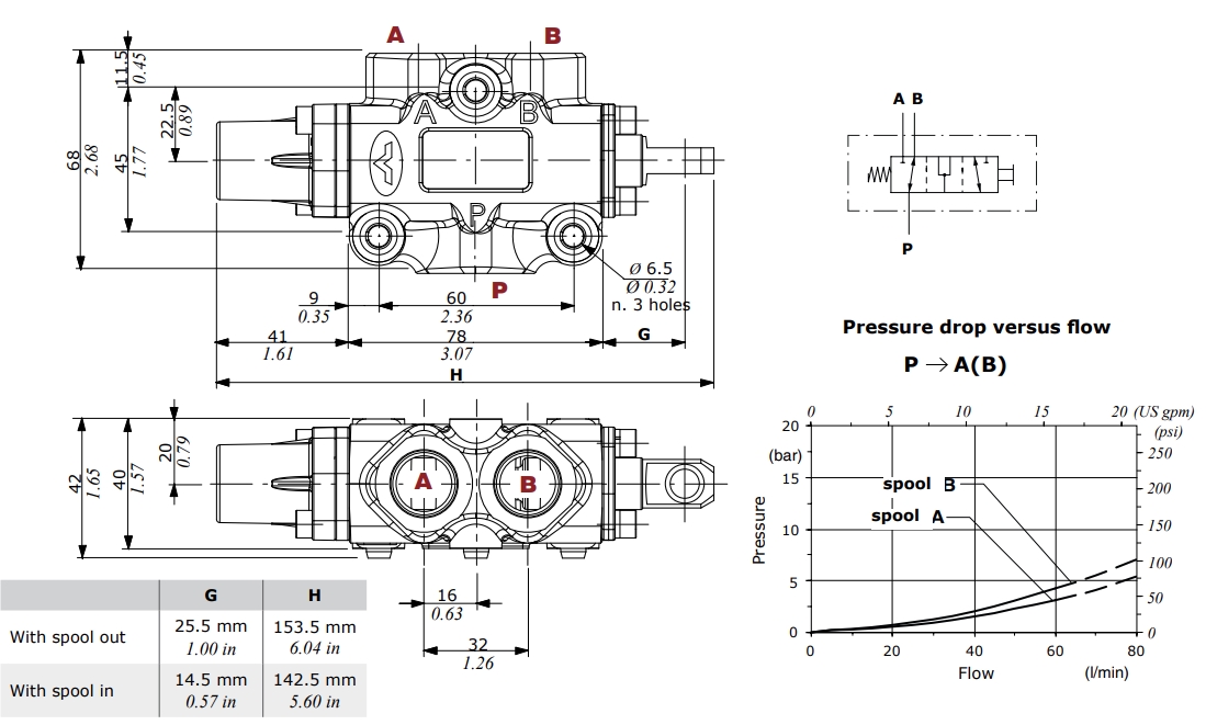
Informations techniques
Déviateur à tiroir 3/2
ARRET D'URGENCE hydraulique, commande manuel - boule Rouge
G3/8 - 60L/min - 315 bar
reste en position
ARRET D'URGENCE hydraulique, commande manuel - boule Rouge
G3/8 - 60L/min - 315 bar
reste en position

Caractéristiques techniques
| Type(s) de commande(s) | Commande Manuelle | ||
| Implantation | G3/8 | ||
| Débit maxi | 60 | l/min |

