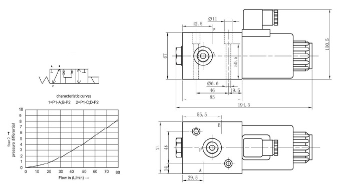
Electrovanne à tiroir 3/2 - G1/2 - 24vdc - 80 l/min - 250bar - recouvrement négatif
Référence Hydrokit : T3AT0122BA
Informations techniques
Electro a tiroir 80 l/mn - 250 bar
3 orifices - 2 positions
24 VDC
G 1/2"
recouvrement négatif
3 orifices - 2 positions
24 VDC
G 1/2"
recouvrement négatif

Caractéristiques techniques
| Type(s) de commande(s) | Commande Electrique 24vcc | ||
| Tension | 24 VCC | Volt | |
| Type de courant | Continu Vcc | ||
| Implantation | G1/2 | ||
| Débit maxi | 80 | l/min |

