Electro Cetop 3 NG6 - 4/3 - 110 Vac - schéma L - commande de secours - DG4V-3S
Référence Hydrokit : VD32110ALR1
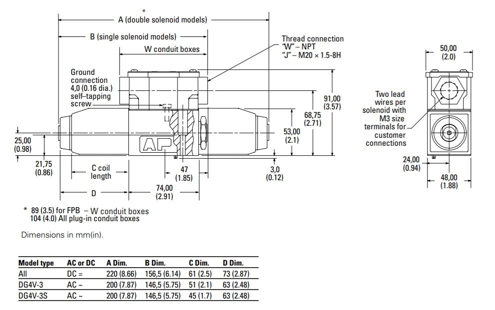
Informations techniques
AVEC CDE SECOURS VERROUILLABLE
=> Sans connecteur / Avec boite de dérivation sur le dessus du distributeur (fils libres) <=
Eaton Vickers 02-109575 - DG4V 3S 2C MFW B5 60
Produit disponible jusqu'à épuisement du stock.
=> Sans connecteur / Avec boite de dérivation sur le dessus du distributeur (fils libres) <=
Eaton Vickers 02-109575 - DG4V 3S 2C MFW B5 60
Produit disponible jusqu'à épuisement du stock.

Caractéristiques techniques
| Type de composants | Distributeur Cetop3 NG6 | ||
| Type(s) de commande(s) | Commande Electrique | ||
| Type de Schéma du Tiroir | Schéma L | ||
| Tension | 110 VAC | Volt | |
| Type de courant | Alternatif Vac | ||
| Débit maxi | 40 | l/min | |
| Pression maxi d'utilisation | 350 | bar | |
| Pression maxi d'utilisation sur T | 100 | bar | |
| Marque | Danfoss (ex Eaton Vickers) |

