Moteur OMP 125cc - arbre cylindrique Ø25mm - Flasque SAEA 2 trous - G1/2 - Série CH
Référence Hydrokit : MHP125A1AE
Ce produit est remplacé par :
Moteur WP 125cc - arbre cylindrique Ø25mm - Flasque SAEA 2 trous - G1/2 - Série WP155 ( MHP125A1AW )
Informations techniques
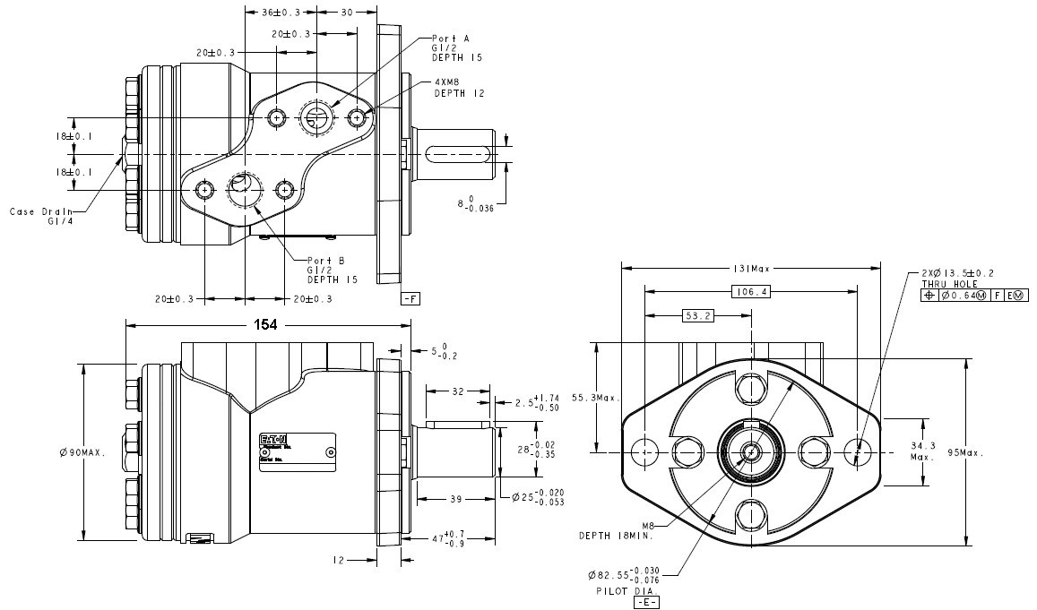
MOTEUR HYDRAULIQUE ORBIT 125 CC (121 cm3)
FLASQUE SAE A CENTRAGE 82.55 mm ENTRAXE DE FIXATION 106.4 mm
ARBRE CYLINDRIQUE 25mm
ORIFICE G 1/2
ORIFICE DE DRAIN G 1/4
JOINT D'ARBRE RENFORCE
PEINTURE NOIR
FLASQUE SAE A CENTRAGE 82.55 mm ENTRAXE DE FIXATION 106.4 mm
ARBRE CYLINDRIQUE 25mm
ORIFICE G 1/2
ORIFICE DE DRAIN G 1/4
JOINT D'ARBRE RENFORCE
PEINTURE NOIR

Caractéristiques techniques
| Type Moteur | OMP Gerotor | ||
| Cylindrée | 125 | cm³/tr | |
| Type de flasque | Flasque 2 trous SAE A | ||
| Type d'arbre | Cylindrique | ||
| Taille de l'arbre | 25 mm | ||
| Position des orifices | Orifices décalés | ||
| Taille des orifices A et B | G1/2 | ||
| Taille du drain | G1/4 | ||
| Type de roulement | Palier fluide | ||
| Capteur de vitesse (prédisposition) | Non | ||
| Peinture | Noir RAL 9005 | ||
| Marque | Danfoss (ex Eaton Charlynn) |
