Distributeur empilable électrique compact - 3DE A&B vers T - 30L/min - 12vdc
Référence Hydrokit : DEEC030C3O1201
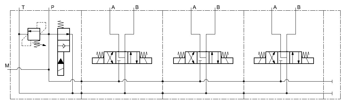
Informations techniques
Distributeur empilable électrique compact
Débit maxi en entrée 50L/min
Débit maxi par section 30L/min
Pression maxi : 250bar
Plaque d'entree P et T G1/2
Avec limiteur de pression 40 à 200 bar
Avec By-Pass 12 vdc
3 sections double effet G3/8 - schéma J (A&B vers T)
Tension 12 vdc connecteur DIN
Débit maxi en entrée 50L/min
Débit maxi par section 30L/min
Pression maxi : 250bar
Plaque d'entree P et T G1/2
Avec limiteur de pression 40 à 200 bar
Avec By-Pass 12 vdc
3 sections double effet G3/8 - schéma J (A&B vers T)
Tension 12 vdc connecteur DIN

Caractéristiques techniques
| Débit maxi | 30 | l/min | |
| Pression maxi d'utilisation | 250 | bar | |
| Nombre de section(s) | 3 | ||
| Tension | 12 VCC | Volt | |
| Option | Sans option |

