PVG32 - 1 section pression constante 25-200B - 65L- centre ouvert - cmd prop PVEA
Référence Hydrokit : DP100AECO65PC
Informations techniques
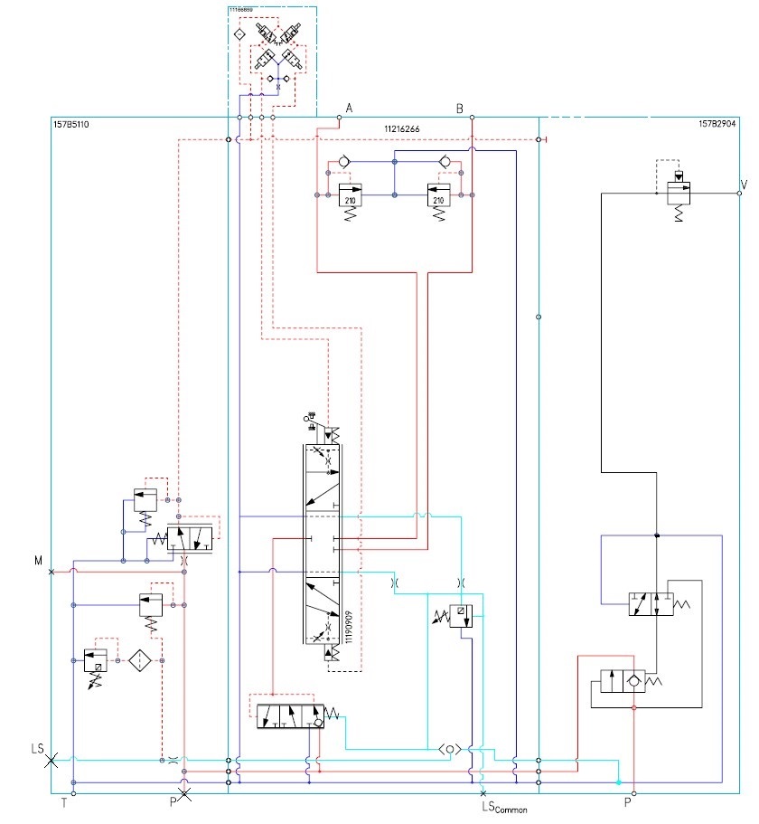
PVG32 1FCT 65L/min - 210bar
Pompe cylindrée fixe - centre ouvert
Section spécifique pression constante avec balance bidirectionnel
(une position de tiroir = une pression)
- Tiroir 65L/min
- Plage de pression 25bar à Pmax en A
- antichoc 210bar
- LsA/LsB commun : réglage de la Pmax (possibilité pilotage externe)
commande manuelle + électrique proportionnel PVEA 9-32V
Plaque de fermeture PVSD : protection des sur pressions en cas d'érreur de branchement P/T - exposition au soleil ..
P&T : G3/4
A&B : G1/2
Pompe cylindrée fixe - centre ouvert
Section spécifique pression constante avec balance bidirectionnel
(une position de tiroir = une pression)
- Tiroir 65L/min
- Plage de pression 25bar à Pmax en A
- antichoc 210bar
- LsA/LsB commun : réglage de la Pmax (possibilité pilotage externe)
commande manuelle + électrique proportionnel PVEA 9-32V
Plaque de fermeture PVSD : protection des sur pressions en cas d'érreur de branchement P/T - exposition au soleil ..
P&T : G3/4
A&B : G1/2
Cas d'applications : - Controle de pression au sol élements de semoir
- Controle de pression d'appuis au sol lame à neige
- Controle d'effort de serrage d'un pince ..


