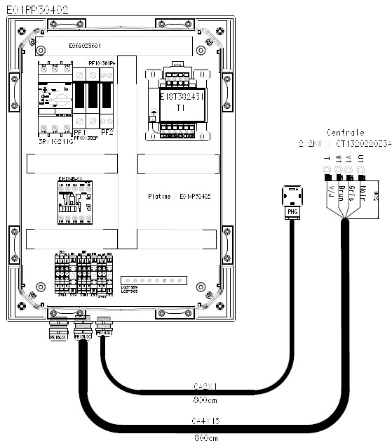
Armoire pour centrale de quai 2.2 kW triphasé - électrovanne 24Vac
Référence Hydrokit : AQT020201
Informations techniques
Armoire spécifique pour centrale de quai 2.2 KW triphasé.
- Sectionneur général
- 1 arrêt d'urgence
- 1 bouton poussoir marche
- 1 voyant sous tension
Gestion d'une électrovanne en 24Vac
Longueur des câbles vers le moteur et l'électrovanne : 8m
- Sectionneur général
- 1 arrêt d'urgence
- 1 bouton poussoir marche
- 1 voyant sous tension
Gestion d'une électrovanne en 24Vac
Longueur des câbles vers le moteur et l'électrovanne : 8m


