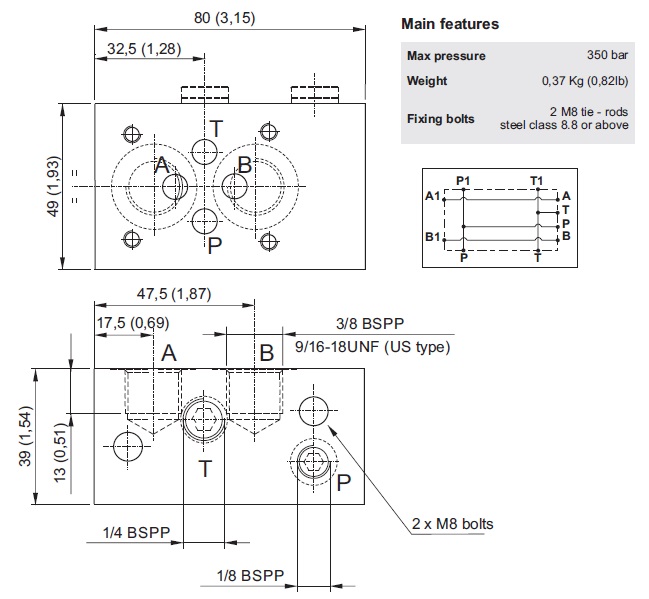
Embase modulaire parallèle pour CETOP3 - bloc épaisseur 49 mm - 3/8 BSPP ports arrières
Référence Hydrokit : M03PHY2
Informations techniques
Embase modulaire parallèle pour CETOP3
Bloc épaisseur 49 mm
3/8 BSPP ports arrières
Code Hydronit : E60403001
Bloc épaisseur 49 mm
3/8 BSPP ports arrières
Code Hydronit : E60403001


