Bloc réduction pression 30bar - prédispo Accu M18x150 - 10L/min
Référence Hydrokit : PA60600152
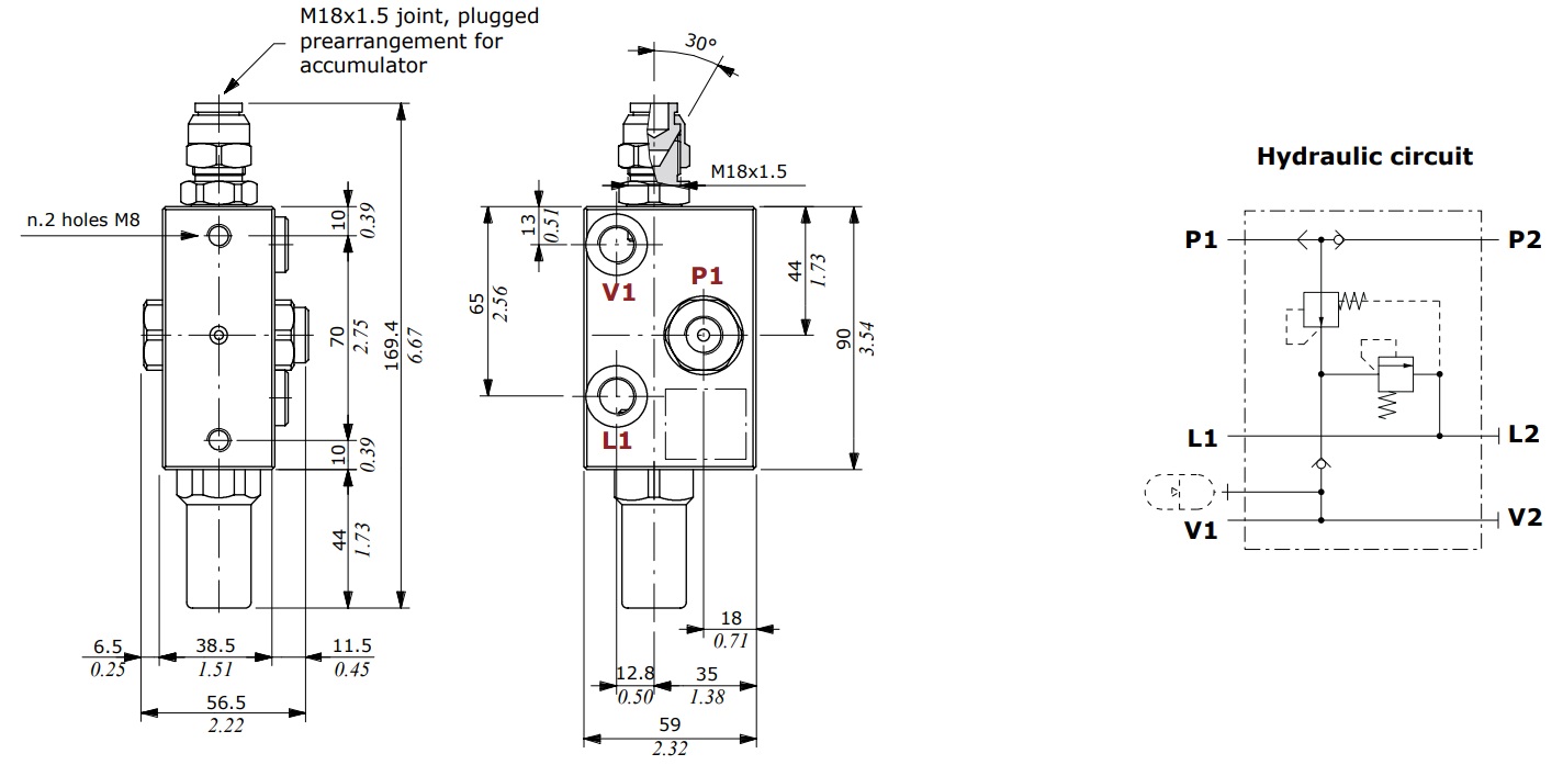
Informations techniques
Bloc de réduction de pression pour accumulateur - pour commande basse pression
Orifice accu mâle M18x150
Deux entrées pression P1&P2
Pression maxi en entrée 350bar
Deux sorties V1&V2 : G1/4
Tarage pression en sortie 30bar
Deux sorties retour L1&L2 : G1/4
Code : AVN020-B/30.00 (SANS ACCU.)***
180010001
Orifice accu mâle M18x150
Deux entrées pression P1&P2
Pression maxi en entrée 350bar
Deux sorties V1&V2 : G1/4
Tarage pression en sortie 30bar
Deux sorties retour L1&L2 : G1/4
Code : AVN020-B/30.00 (SANS ACCU.)***
180010001


