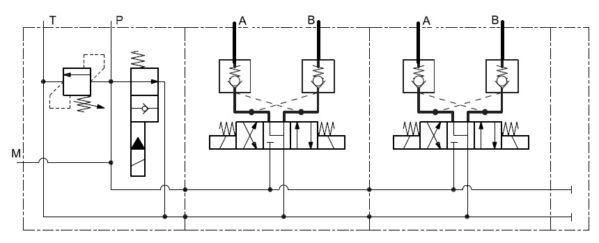
Distributeur empilable électrique compact - 2DE A&B vers T - 20L/min - 24vdc + clapets sur A&B
Référence Hydrokit : DEEC020C2O2401C
Informations techniques
Distributeur empilable électrique compact
Débit maxi en entrée 50L/min
Débit maxi par section 20L/min
Pression maxi : 250bar
Plaque d'entree P et T G1/2
Avec limiteur de pression 40 à 200 bar
Avec By-Pass 24 vdc
2 sections double effet G3/8 - schéma J (A&B vers T) + clapets sur A&B
Tension 24 vdc connecteur DIN
Débit maxi en entrée 50L/min
Débit maxi par section 20L/min
Pression maxi : 250bar
Plaque d'entree P et T G1/2
Avec limiteur de pression 40 à 200 bar
Avec By-Pass 24 vdc
2 sections double effet G3/8 - schéma J (A&B vers T) + clapets sur A&B
Tension 24 vdc connecteur DIN

Caractéristiques techniques
| Débit maxi | 20 | l/min | |
| Pression maxi d'utilisation | 250 | bar | |
| Nombre de section(s) | 2 | ||
| Tension | 24 VCC | Volt | |
| Option | Sans option |

